ELECTRONICA,CM2

 Diseño, Mantenimiento y Montaje  de equipos Electrónicos y Sistemas de Cómputo ______________________________________________________

Guapi - Cauca - Colombia

 

 

Inicio                                        

Amplificadores de de audio

   - Amp. de 50W con TDA7265

   - Amp. de 100W con TDA7294

 

Cargadores de Baterías

 - Cargador profesional de baterías

Inversores de Voltaje 

    - Inversor 12 Vdc @ 120 Vac

    - Inversor basado en SN7400

Fuentes de alimentacion

    - Regulador con LM317T

  - Fuente variable con transistor

 

Diseños varios

    - Balasto

   - Monitor luminoso para timbre telefónico

  - Barrera Invisible detector de  personas

- Control de intensidad o Regulador de velocidad para motores pequeños de AC

   - Control de Nivel de Líquidos

   - Monitor de Audio

 

   - Detector de Luz (Pendiente)

   - Temporizador RC (Pendiente)

   - Start / Stop con Amplificador Operacional. (Pendiente)

- Start / Stop para motor, con compuertas NAND (Pendiente)

- Control de Tonos - Audio     (Pendiente)

   - Generador de Onda senoidal con Operacional (Pendiente)

 

 

 

 

Proyectos Terminados

   - Monitoreo del hogar a través  del teléfono celular, con PIC

   - Letrero desplazable de LEDs

   - PROTECT, guardián del nivel de tensión

   - Medición de Nivel de embalse, visualización en pantalla con gráfica de tendencia.

 

Radiofrecuencia

   - Transmisor en FM

   - Transmisor en AM

 

 

Arduino

- Encender y apagar LED vía Ethernet con Visual Studio (Pendiente)

- Medición de Temperatura y Humedad vía Ethernet con Visual Studio (Pendiente)

 

 

 

Educación

Descargas

 

 

 

PROTECT - Guardián del nivel de tensión

                                                                                                                           

                                                                                                                 

PROTECT                                                                                                                                  Aprobado cm2

He decidido llamar Protect, debido a su función, al aparato que se construye y se publica en este artículo.

Se diseña un circuito que sea capaz de proteger un electrodoméstico (se escoge para un TV) de los altos niveles de energía y de las descargas eléctricas.

 

JUSTIFICACIÓN

El fluido eléctrico en muchos municipios que se encuentran fuera del Sistema Interconectado Nacional - SIN, municipios y poblaciones donde la energía eléctrica se genera con plantas de combustión interna o pequeñas centrales hidroeléctricas en ocasiones presentan fluctuaciones en el nivel de tensión los cuales son imperceptibles para el humano pero dañinas para algunos electrodomésticos, el  nivel de tensión en una vivienda es de 115V pero con mucha frecuencia se altera de manera impredecible lo que ocasiona daño severo en los equipos del hogar.

Aunque no siempre el nivel se eleva de manera repentina, hay ocasiones en que este se ausenta y cuando retorna lo hace con un valor elevado.

Hoy en día la mayoría de electrodomésticos soportan un rango amplio de tensión, este puede ir desde los 90V hasta los 240Vac, sin embargo existen otros cuyo valor nominal para un funcionamiento normal es de 115V,  estos son propensos a dañarse cuando en un cambio repentino del nivel de voltaje supere los 115 V.

Otro problema que aunque no depende del humano pero que también hace estragos en los electrodomésticos son las descargas eléctricas producidas por rayos.

Ejemplo:

Sea un usuario que desde su cama programó su TV para que se apague al cabo de T tiempo, una vez se cumplió el tiempo se pagó su TV, pero no se desconectó el cable de alimentación ni el de la antena, en la noche mientras dormía se desencadenó una tormenta que indujo una corriente que por el cable de la antena se introdujo en el TV y produjo un corto circuito que terminó por dañar el aparato receptor de Televisión. Al día siguiente el usuario intentó encender el TV pero este no respondió y se vio obligado a llamar al técnico para su revisión y posterior reparación que en muchos casos suele ser costosa.

 

Por tales razones se construye un circuito que protege al electrodoméstico de los altos niveles de tensión y  de las descargas eléctricas. El circuito evita que el usuario tenga que darse a la tarea de desconectar los cables de alimentación todas las noches o momentos en los que va a salir de su casa,  de esta manera el usuario se acuesta tranquilo sin tener que preocuparse por nada. LA TECNOLOGÍA HACE LA VIDA DEL HOMBRE MÁS AGRADABLE.

 

Descripción y funcionamiento del circuito

El circuito al que se ha denominado PROTECT poseerá en la parte posterior un cable de alimentación para conectarse a la red de energía, una terminal para conectar el cable coaxial de la antena (de aire o televisión por cable), un toma corriente para conectar el electrodoméstico y una terminal para conectar un trozo de cable coaxial que pase la señal al TV.

En la parte frontal poseerá el botón de encender / apagar (ON/OFF) y tres (3) LEDs indicadores de estado ALTO VOLTAJE (rojo), VOLTAJE NORMAL (verde) y STAND BY (amarillo). Se anexará en los próximos modelos un led indicador de nivel de voltaje BAJO.

                       

Al conectar el circuito a la red de pública se deben  encender los LEDs verde y amarillo indicando que el nivel de voltaje es normal, en caso contrario se enciende el rojo que indica que el nivel de voltaje no es normal es decir, está alterado y puede causar daños al electrodoméstico.

Si la situación es normal (LEDs verde y amarillo encendidos), el usuario puede presionar el botón de encender (ON/OFF) para permitir  el paso de la  corriente eléctrica al electrodoméstico y la señal de televisión a través del cable coaxial.

Si el electrodoméstico está encendido y se presenta un aumento excesivo en el nivel de tensión, por un periodo de tiempo suficiente como para causar daño, el circuito de control actúa dejando al equipo sin ninguna conexión externa y de inmediato se enciende el led rojo indicador de alta tensión.

Cuando está encendido el LED rojo el circuito de control hace caso omiso a la orden de encender generada por el usuario, esto lo hace con el objetivo de proteger al electrodoméstico. Inmediatamente se normaliza el nivel de tensión, el circuito protector da paso a las ordenes posteriores del usuario.

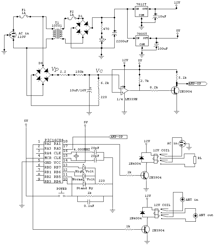
Circuito Esquemático

El circuito Integrado principal es un PIC16C84 pero con muy pocos cambios se puede utilizar el PIC16F628A dado que el primero ya está un poco descontinuado.

 El programa almacenado en el microcontrolador PIC16C84

 

 

;                                   PROTECT

 

 

;  Este programa verifica el estado de la red de 110V y determina si se ;  acciona salida de tensión y conmutación de la antena (para el caso de ;  un TV) hacia el electrodoméstico conectado al sistema. 

 

;                                       Por: Miller Cambindo Montaño

;                                       Diciembre 22 de 2003

 

 

 

 

        LIST P=16c84

 

status    equ 3

cero      equ 2                    ; RA0: entrada del comparador 

portb     equ 6                    ; RA1: Habilitador de AC (110V)

porta     equ 5                    ; RA2: Habilitador de ANTENA

trisa     equ h'85'                

trisb     equ h'86'                ; RB4: led de Stand By

trisb     equ h'86'                ; RB5: tecla POWER (ON/OFF)           

rp0       equ 5                    ; RB6: Led Indicador de Tensión normal

temp1     equ 8                    ; RB7: Led Indicador de Tensión alta

temp2     equ 9

temp3     equ .10

conta     equ .11

 

        ORG 00

        GOTO main

        ORG .05

 

 

delay  movlw .50             ;retardo

       movwf temp1          

uno    movlw .80

       movwf temp2

dos    movlw .50

       movwf temp3

tres   decfsz temp3,1

       goto tres

       decfsz temp2,1

       goto dos

       decfsz temp1,1

       goto uno

       retlw 0

 

BLINK  bcf portb,6          ; esta rutina enciende y apaga el led de 

       call delay           ; Tensión NORMAL tres (3) veces luego de

       nop                  ; presionar la tecla POWER y verificar que

       call delay           ; el voltaje es normal. 

       nop

       bsf portb,6

       call delay

       call delay

       nop

       bcf portb,6

       call delay

       nop

       call delay

       nop

       bsf portb,6

       call delay

       bcf portb,6

       call delay

       bsf portb,6

 

       retlw 0

 

 

main    bsf status,rp0     ;habilita la página cero

        movlw  b'00011'    ;configura puerto A como entrada/salida

        movwf trisa        ;se utilizan los tres bits menos significativos

        movlw 0            ;configura puerto B como salida

        movwf trisb        ;se utilizan los cuatro bits m s significativos

        bcf status,rp0

 

        clrf porta         ;limpia puertos A y B

        clrf portb         ;

        clrf conta         ;variable que controla el encendido y apagado del

                           ;equipo "0" Encender, "1" Apagar

        call delay

        nop                 

        call delay

                           ;Al energizar el circuito, este verifica el estado

        btfsc porta,0      ;de la salida del comparador "0" Tensión NORMAL  

        goto ALTOV         ;"1" Tensión ALTA

        bsf portb,6        ;En caso de que esta está‚ Normal lo indica mediante

        bsf portb,4        ;el led conectado en RA2 (bit 2 del puerto A)

                           ;Rutina de encendido:

POWER   btfss portb,5      ;Est  presionada la tecla POWER ?

        goto ALTOV         ;Si no, verifique el estado de la tensión

SUELTA  btfsc portb,5      ;si se presionó, pregunte si ya la soltó¢

        goto SUELTA        ;pregunte

        btfsc portb,7      ;

        goto ALTOV         ;

        movlw 1            ;carga w con 1 para comparar con el estado

        xorwf conta,w      ;de la variable "conta"

        btfss status,cero  ;si es "0"

        goto PRENDER       ;Prende

        goto APAGAR        ;si no, Apaga

PRENDER call BLINK

        bcf portb,4        ;Apaga led Stand By

        bsf porta,1        ;Habilita AC out

        bsf porta,2        ;habilita Antena out

        incf conta,1

        goto ALTOV

 

APAGAR  clrf conta

        bcf porta,1        ;Deshabilita AC out

        bcf porta,2        ;Deshabilita Antena out

        bsf portb,4        ;Enciende led Stand By

        goto POWER

 

ALTOV   btfss porta,0

        goto NORMAL

        call delay

        btfss porta,0

        goto APAGAR

        bcf portb,6        ;Apaga led indicador de tensión normal

        bsf portb,7        ;Enciende led indicador de tensión alta

        bcf porta,1

        bcf porta,2

        goto POWER

 

NORMAL  bcf portb,7

        bsf portb,6

        goto POWER

        

 

        end

 

 

 

 La tarjeta de Circuito Impreso - PCB

 

  

 

Descargue del siguiente vínculo el proyecto completo: Descargar

                                                                                                                                                               Aprobado cm2

Proyecto diseñado y montado en su totalidad por:

                                                                                                                            Miller Cambindo Montaño.

                                                                                                                            CM2 ELECTRÓNICA